Need help trouble shooting
-
LisaMartinez
- Registered User
- Posts: 35
- Joined: Sun Sep 29, 2019 6:35 am
- Location: San Jacinto, CA
- Contact:
-
LisaMartinez
- Registered User
- Posts: 35
- Joined: Sun Sep 29, 2019 6:35 am
- Location: San Jacinto, CA
- Contact:
-
LisaMartinez
- Registered User
- Posts: 35
- Joined: Sun Sep 29, 2019 6:35 am
- Location: San Jacinto, CA
- Contact:
Re: Need help trouble shooting
Where does my RPM signal come from??? And if anyone has wiring diagram?? And can I test injector pulse for pcm or injector connector??
Re: Need help trouble shooting
Fuel Pump Relay... PM replied to regarding RPM signal, I strongly recommend getting a Chiltons or Haynes service-manual for your car. You can clearly do the work, but without a guide to give you specifics, you are shooting in the dark, especially on diagnostics. Newer Chiltons (showing a red Corsica on the cover) have better wiring diagrams.
1989 SuperCharged 3800 Srs-II (First)Six-Speed GTU
1990 Turbo 3.4 5-Speed T-Type
1990 4.0L 4-Cam 32-Valve V-8 5-Speed Indy GTi (Project)
1990 Stock(!) 3.1 MPFI Auto Indy
1995 LA1/L82 4T60E Z-26
1995 3.4 DOHC Turbo 5-Speed Z-26
1990 Turbo 3.4 5-Speed T-Type
1990 4.0L 4-Cam 32-Valve V-8 5-Speed Indy GTi (Project)
1990 Stock(!) 3.1 MPFI Auto Indy
1995 LA1/L82 4T60E Z-26
1995 3.4 DOHC Turbo 5-Speed Z-26
-
LisaMartinez
- Registered User
- Posts: 35
- Joined: Sun Sep 29, 2019 6:35 am
- Location: San Jacinto, CA
- Contact:
Re: Need help trouble shooting
Ues everything working there
-
LisaMartinez
- Registered User
- Posts: 35
- Joined: Sun Sep 29, 2019 6:35 am
- Location: San Jacinto, CA
- Contact:
Re: Need help trouble shooting
#13 in fuse panel is a 5 amp fuse when car first started problem tested all fuses this one fuse wood only work on one side until I wiggled it, now I don't get any power to it with key on or off, this Keys goes to my instrument cluster which I think is where my RPM signal is. So how would I look that up what kind of diagram would I be looking for from the fuse panel out, it's a green and a gray or white wire, where do those go?? Or come from??
The attachment 20200221_180718.jpg is no longer available
Screenshot_20200227-210328.png
The attachment 20200221_180718.jpg is no longer available
Screenshot_20200227-210328.png
-
LisaMartinez
- Registered User
- Posts: 35
- Joined: Sun Sep 29, 2019 6:35 am
- Location: San Jacinto, CA
- Contact:
-
LisaMartinez
- Registered User
- Posts: 35
- Joined: Sun Sep 29, 2019 6:35 am
- Location: San Jacinto, CA
- Contact:
Re: Need help trouble shooting
Have you narrowed the problem to fuel or spark?
Okay, let's try this like a check-list:
1. -Fuel pressure at the rail, test-port shows 35-40 PSI after turning the key on and off a couple of times or 'bumping' the starter. Y/N
2. -Inline spark tester shows spark going to plugs while cranking. Y/N
3. -Noid lights show pulses at the injectors (or four-pin harness if you can get them to make good enough contact with the noid light) while cranking. Y/N
This will help pin it down into one area, and we can keep going from there.
This should help you figure out where and how the car gets its' engine RPM signal from. You CRK or Crank 5-amp fuse does not run anything, it simply tells the ECM you are cranking the engine over so it knows how to adjust fuel and spark trims -it should only have power while holding the key in 'start' as I recall. Removing it might make the car harder to start, it won't prevent it from starting or running though.
Okay, let's try this like a check-list:
1. -Fuel pressure at the rail, test-port shows 35-40 PSI after turning the key on and off a couple of times or 'bumping' the starter. Y/N
2. -Inline spark tester shows spark going to plugs while cranking. Y/N
3. -Noid lights show pulses at the injectors (or four-pin harness if you can get them to make good enough contact with the noid light) while cranking. Y/N
This will help pin it down into one area, and we can keep going from there.
This should help you figure out where and how the car gets its' engine RPM signal from. You CRK or Crank 5-amp fuse does not run anything, it simply tells the ECM you are cranking the engine over so it knows how to adjust fuel and spark trims -it should only have power while holding the key in 'start' as I recall. Removing it might make the car harder to start, it won't prevent it from starting or running though.
1989 SuperCharged 3800 Srs-II (First)Six-Speed GTU
1990 Turbo 3.4 5-Speed T-Type
1990 4.0L 4-Cam 32-Valve V-8 5-Speed Indy GTi (Project)
1990 Stock(!) 3.1 MPFI Auto Indy
1995 LA1/L82 4T60E Z-26
1995 3.4 DOHC Turbo 5-Speed Z-26
1990 Turbo 3.4 5-Speed T-Type
1990 4.0L 4-Cam 32-Valve V-8 5-Speed Indy GTi (Project)
1990 Stock(!) 3.1 MPFI Auto Indy
1995 LA1/L82 4T60E Z-26
1995 3.4 DOHC Turbo 5-Speed Z-26
-
LisaMartinez
- Registered User
- Posts: 35
- Joined: Sun Sep 29, 2019 6:35 am
- Location: San Jacinto, CA
- Contact:
Re: Need help trouble shooting
its none that I can unhook the fuel line after filter and go to private and gas flows out just fine and already did a gas pressure test at Schrader valve good something is stopping my fuel from opening injectors it's my crank position sensor wire that goes from nice cm to the crank position sensorifixalot wrote:I have changed fuel tanks and pumps on most all of my cars. I have never encountered sediment in the bottom of any fuel tank.
In addition, there is a sock on the end of the pump that filters the fuel before it enters the pump. I doubt the fuel filter is plugged up.
Perhaps they just put a couple gallons in the tank and it's not enough for the pump to suck up.
I'd put at least 4 gallons in the tank. I'd turn the ignition switch on for a few seconds and then off several times to let the pump prime the system.
Then try and start it.
Re: Need help trouble shooting
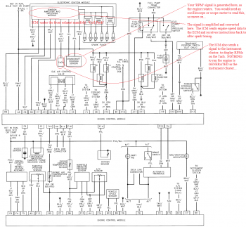
Crank signal goes from crank sensor to icm, and from icm to ecm. Test crank wires from sensor to icm with multimeter if its busted, in my corsica it was little ripped. Thats and easy test at least. Icm wiring pinout you can find from here ; https://easyautodiagnostics.com/gm/3.1L ... k-sensor-2
-
Juancarlos
- Registered User
- Posts: 3
- Joined: Thu Oct 29, 2020 7:40 am
Re: Need help trouble shooting
I think the crank sensor is not working properly, which is cutting off the crank signal while the engine is running. This is happening due to wiring issues. You can check it using multimeter: https://handtoolsforfun.com/the-best-mu ... ve-review/
Crank sensor monitors the position and speed of the crankshaft which plays an important role in starting an engine.
A bad crank sensor can quickly lead to problems that affect the drivability of the vehicle. You really need to diagnose your car and replace it if necessary.
Crank sensor monitors the position and speed of the crankshaft which plays an important role in starting an engine.
A bad crank sensor can quickly lead to problems that affect the drivability of the vehicle. You really need to diagnose your car and replace it if necessary.