Cuts off at high RPMs (Limp Mode?)

Have a flashing light? Gauges acting funny? Bad idle? Get your problems solved...
User avatar
Quad4Z26
Registered User
Posts: 122
Joined: Mon Sep 05, 2011 9:43 pm

Cuts off at high RPMs (Limp Mode?)

Post by Quad4Z26 »

Well, I've been having this issue for a long time. I'm fed up with it, feel like I can't fully enjoy the 3500 swap. I drive the car a few times out of the week but got used to the issue. Its been there since the 3500 swap was done. Engine breaks off bad on high RPMs and heavy load. Did a log a while ago and noticed that it doesn't go past 4k rpms. (my tach gauge doesn't work)

-Car has a new walbro fuel pump
-new fuel filter
-new (used) maf
-new plugs
-new plug wires
-coil packs good / icm good


Maybe this log means something to somebody. Car cut off a few times during the log.

Also found this thread, I have the same issue and made me think that maybe it has to do something with the park/neutral switch.

http://www.beretta.net/forum/viewtopic. ... 8&start=15

Any suggestions?
Attachments
log1 - Copy.zip
(47.99 KiB) Downloaded 416 times
Last edited by Quad4Z26 on Mon Jul 27, 2015 8:44 pm, edited 1 time in total.
Image
1of 896 Quad4 Z26's....now 3500 5spd swapped!-sold
'14 C7 Z51 7SPD
User avatar
SuzukiGhostRider
Registered User
Posts: 2464
Joined: Tue Feb 12, 2008 4:07 am
Location: Milan NM
Contact:

Re: Cuts off at high RPMs

Post by SuzukiGhostRider »

Did you swap auto for 5 speed? If so your auto governor is kicking on. You need to reflash the ecm to 5 speed settings.
Image
User avatar
3X00-Modified
Administrator
Posts: 10920
Joined: Thu Jul 05, 2007 9:18 am
Location: Brooklyn CT

Re: Cuts off at high RPMs

Post by 3X00-Modified »

No he actually needs to fix the park neutral switch to have it tell the ecu it's in Drive... If he just removes the park neutral limiter the calibrations used won't be right since they are tagged for use when in drive.

That is if it's truly the limiter kicking in. I have to look at the log.

Just checked the log, In the log the O2 volts drop to zero when it hits 4k, You have the P/N switch in wrong and set for park or neutral which enables a 4k fuel cut off.

There are also many other issues with this install that I tried to troubleshoot via the web when you wanted me to send you a bin for it. As noted on 60degree the fuel trims are way off so something on the car doesn't match what you had me enter for values if your still using the bin I sent. It's maxing out the Long term fuel trim and almost maxing out the STFT at the same time to get enough fuel. That tells me your not running the fuel injectors it's set for or your having another fuel delivery issue even with all of the other parts you've replaced in that system.

This is something I try to explain to people... I can do a bin for close settings but the car needs to be logged and tweaked after that is done because it's never spot on. Factory tables are a starting point and never perfect.
Mr.Pink
Supreme Unit
Sleepy Goodness
"Beretta Guy"
User avatar
Quad4Z26
Registered User
Posts: 122
Joined: Mon Sep 05, 2011 9:43 pm

Re: Cuts off at high RPMs

Post by Quad4Z26 »

I'm still using everything the same, injectors which I pulled from a 3.4 dohc. Would a bad injector be causing the fuel trims to be off? Still using the ecu you flashed for me.

Another thing, what do I do to the damn park/neutral switch. Put it in drive and short the yellow and purple wires?

Forgot to mention, p0171 keeps popping up. System too lean. Sometimes at idle it sounds like if it's cammed. Sounds good though. Lol
Image
1of 896 Quad4 Z26's....now 3500 5spd swapped!-sold
'14 C7 Z51 7SPD
User avatar
3X00-Modified
Administrator
Posts: 10920
Joined: Thu Jul 05, 2007 9:18 am
Location: Brooklyn CT

Re: Cuts off at high RPMs

Post by 3X00-Modified »

If it's not cammed then that's bad... lol

A bad injector will definitely cause bad fuel trims, and the P0171 code points to a major fuel delivery issue... So if you've changed everything else then yes you need to look at the injectors now.

Regarding the P/N switch you need to do what is advised in the 5-speed swap information that is on this forum... If there is any... Bottom line you need to set it for Drive to eliminate the limiter and make the ECU run in the proper mode. Then you need to disconnect the safety portion of it and that SHOULD be wired to a switch on your clutch pedal to imitate or become a clutch safety switch so it can't be started without that depressed.
Mr.Pink
Supreme Unit
Sleepy Goodness
"Beretta Guy"
heavywoody
Global Moderator
Posts: 1991
Joined: Sun Nov 03, 2002 4:10 pm
Location: Concord, NC
Contact:

Re: Cuts off at high RPMs

Post by heavywoody »

You should solder/connect the yellow and purple 8 gauge wires at the switch (the switch acts as a neutral/safety switch for the automatics); this will bypass it so you can install the correct one under the clutch pedal. For the wiring under the dash, just connect the clutch safety switch inline in the wiring coming down from the ignition switch (I believe it was a yellow 8 gauge wire here, might be purple but it's the only 8 gauge wire under there).
Geoff
95 Z26 Turbo 3400 5spd - R&D Project
Beretta Preservation Society - Director of Acquisitions
Image
User avatar
Quad4Z26
Registered User
Posts: 122
Joined: Mon Sep 05, 2011 9:43 pm

Re: Cuts off at high RPMs

Post by Quad4Z26 »

Yes, I currently have the yellow and purple wires soldered together. BUT, I don't have the p/n switch installed. My car was original manual so it has the clutch safety switch. That's what's wrong, it needs the actual switch to be in drive mode.
Image
1of 896 Quad4 Z26's....now 3500 5spd swapped!-sold
'14 C7 Z51 7SPD
User avatar
3X00-Modified
Administrator
Posts: 10920
Joined: Thu Jul 05, 2007 9:18 am
Location: Brooklyn CT

Re: Cuts off at high RPMs

Post by 3X00-Modified »

If your using an automatic harness then yes you need that selector installed to indicate that the car is in Drive, OR you need to connect the right wires together from those plugs. Geoff has his harness modified to eliminate that switch but it's modified in a way to indicate Drive.

If I'm reading this diagram correctly You would want to connect the Gray and Yellow wires to ground to indicate it's in OD. I believe this is from the other larger plug, not the one with the 8 gauge wires that control the starting circuit.
New Picture.bmp
New Picture.bmp (1.08 MiB) Viewed 10764 times
That Yellow goes to Trans Range SW "B" In
Gray goes to Trans Range SW "C" In

Don't take my word on this because I'm not familiar with how to eliminate the switch, I'm just reading the diagram's which are a bit tricky sometimes.
Mr.Pink
Supreme Unit
Sleepy Goodness
"Beretta Guy"
User avatar
Quad4Z26
Registered User
Posts: 122
Joined: Mon Sep 05, 2011 9:43 pm

Re: Cuts off at high RPMs

Post by Quad4Z26 »

That's the exact same diagram I used. Well you posted on another thread lol. I'll figure out the p/n switch, just never crossed my mind!

Now for the injectors, I still have the original LX9 ones. Could I use those? The reason I got the dohc injectors was for plug and play. (Connector wise)
Image
1of 896 Quad4 Z26's....now 3500 5spd swapped!-sold
'14 C7 Z51 7SPD
RobertISaar
Registered User
Posts: 98
Joined: Tue Nov 27, 2012 7:14 pm

Re: Cuts off at high RPMs

Post by RobertISaar »

this is using a 95 3100 beretta switch for reference, but I don't know what switch you're planning on using, they differ quite a bit depending on original application.

http://i.imgur.com/tAinzeK.png

with no range switch, all inputs should be detected as "low", which should set a DTC(assuming it wasn't disabled). with this exact switch, to indicate 4th, you would need to connect the PCM's B and C circuits to a switched +12V and the P and A circuits to ground.
User avatar
3X00-Modified
Administrator
Posts: 10920
Joined: Thu Jul 05, 2007 9:18 am
Location: Brooklyn CT

Re: Cuts off at high RPMs

Post by 3X00-Modified »

He's using a 96 switch... Not sure if there is a 12v positive that is used in that setup as the diagram I posted shows a common ground. I could double check my manual tonight to verify what the inputs should be to indicate drive, or 4th.

LX9 injectors can not be used with the 3400 fuel rails because they are too short, you would need the 3500 rail which would mean setting up custom fuel lines seeing how you can't mount a regulator to it like the 3400 rail...

Best injectors for a 3500 application would be the trailblazer 28lb injectors. 3400 ones are only 19lbs and I'm not positive on the LX9's but I know they were more than the 3400's. I also do not know what the 3.4 DOHC ones you have flow.
Mr.Pink
Supreme Unit
Sleepy Goodness
"Beretta Guy"
User avatar
Quad4Z26
Registered User
Posts: 122
Joined: Mon Sep 05, 2011 9:43 pm

Re: Cuts off at high RPMs

Post by Quad4Z26 »

Messed with it a few tonight, couldn't get the dang p/n in drive!! Tried all different positions still wouldn't Rev past 4k.

:unknown:

Yellow and gray to common ground. Same. Tried to 12v. Same problem.

:o
Image
1of 896 Quad4 Z26's....now 3500 5spd swapped!-sold
'14 C7 Z51 7SPD
Cliff8928
Administrator
Posts: 1775
Joined: Wed Mar 03, 2004 10:03 pm
Location: Long Grove, IL
Contact:

Re: Cuts off at high RPMs

Post by Cliff8928 »

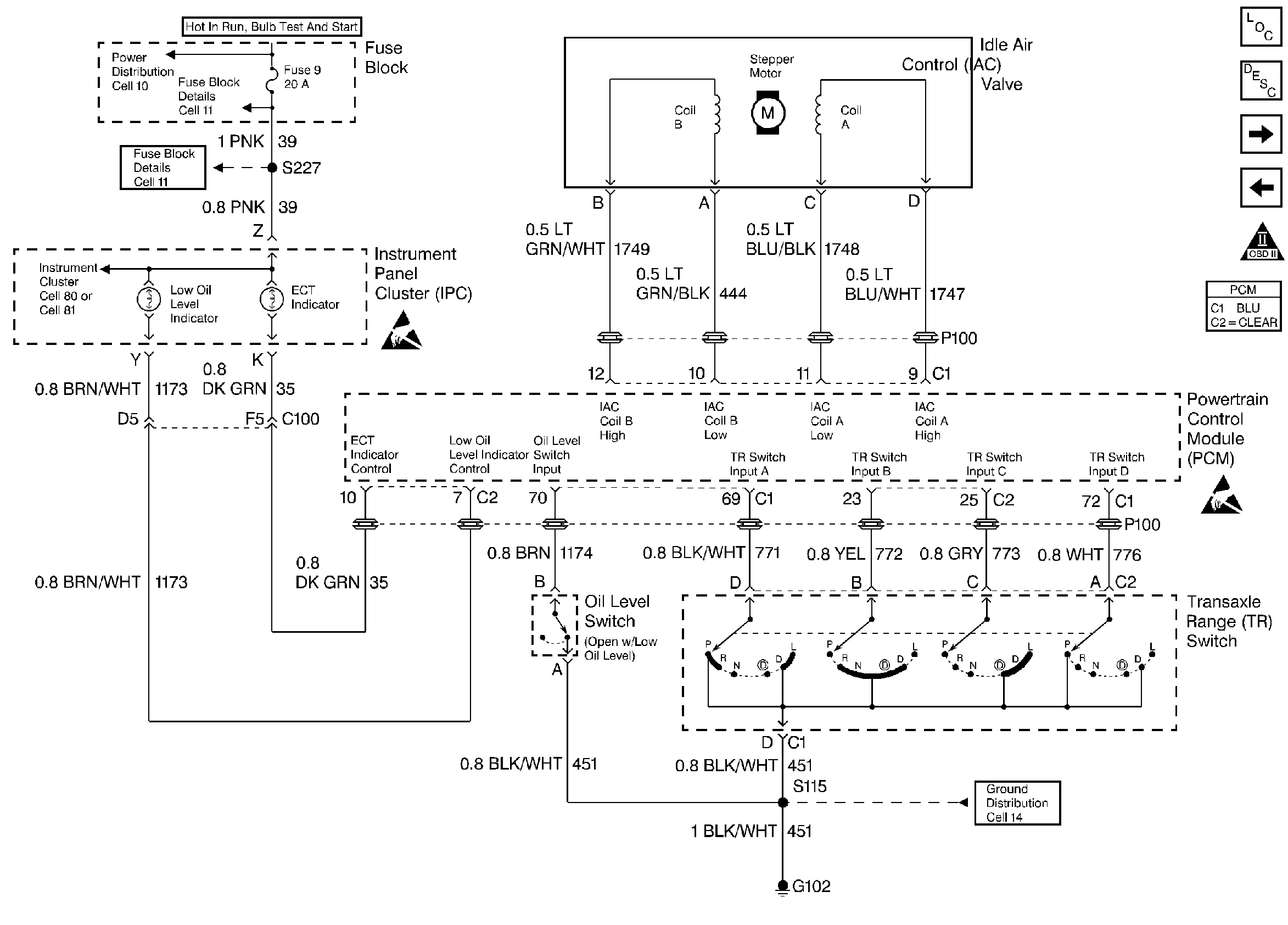
Here's the official 96 wiring diagrams from the service manual.
Attachments
30331.png
26614.png
Cliff Scott
Image
heavywoody
Global Moderator
Posts: 1991
Joined: Sun Nov 03, 2002 4:10 pm
Location: Concord, NC
Contact:

Re: Cuts off at high RPMs

Post by heavywoody »

For what it's worth, when I originally did my swap, I only spliced the yellow and purple wires (8 gauge). Rotated to drive, and left it alone.
Geoff
95 Z26 Turbo 3400 5spd - R&D Project
Beretta Preservation Society - Director of Acquisitions
Image
User avatar
3X00-Modified
Administrator
Posts: 10920
Joined: Thu Jul 05, 2007 9:18 am
Location: Brooklyn CT

Re: Cuts off at high RPMs

Post by 3X00-Modified »

That's all he should have to do, but it sounds like there is something else wrong with his swap which is preventing that from working properly.
Mr.Pink
Supreme Unit
Sleepy Goodness
"Beretta Guy"
Post Reply