Would a digital cluster work in a non digital car?
Would a digital cluster work in a non digital car?
I have a non digital 96 beretta with the upgraded cluster. If i got a digital dash, would it work or would I need an entire computer and sensors and other stuff?
Re: Would a digital cluster work in a non digital car?
Here is a thread that has some info, a user was asking about an OBD2 swap in their OBD1 car with digital cluster:
http://www.beretta.net/forum/viewtopic. ... D2#p128562
This may also have some relevant info:
http://www.beretta.net/forum/viewtopic. ... D2#p106531
The dash is a different shape, and the harness and plug is different, that would all need modified to work.
I don't know if the OBD2 ECM will output what is needed to make the digital cluster display correctly. I don't think it does, someone else will have to help you with that.
If you have the base cluster and want all the gauges, there is a tachometer cluster for the 96 Beretta, its a direct swap. I did that on my 1996 Beretta in the past, works great. I also swapped my odometer from my base cluster to keep my exact mileage. Just make sure you put the speedometer back in the right spot on the 96 tachometer cluster if you disassemble it to swap your odometer into it.
You would also need to swap the oil pressure sensor for the gauge if you don't already have it.
Below is a photo of my tachometer cluster in my 96 Beretta: Below is a photo of my digital cluster in my 1990 Beretta: Below is a random photo from the internet of the new style base cluster:
http://www.beretta.net/forum/viewtopic. ... D2#p128562
This may also have some relevant info:
http://www.beretta.net/forum/viewtopic. ... D2#p106531
The dash is a different shape, and the harness and plug is different, that would all need modified to work.
I don't know if the OBD2 ECM will output what is needed to make the digital cluster display correctly. I don't think it does, someone else will have to help you with that.
If you have the base cluster and want all the gauges, there is a tachometer cluster for the 96 Beretta, its a direct swap. I did that on my 1996 Beretta in the past, works great. I also swapped my odometer from my base cluster to keep my exact mileage. Just make sure you put the speedometer back in the right spot on the 96 tachometer cluster if you disassemble it to swap your odometer into it.
You would also need to swap the oil pressure sensor for the gauge if you don't already have it.
Below is a photo of my tachometer cluster in my 96 Beretta: Below is a photo of my digital cluster in my 1990 Beretta: Below is a random photo from the internet of the new style base cluster:
Re: Would a digital cluster work in a non digital car?
GT_Indy wrote:Here is a thread that has some info, a user was asking about an OBD2 swap in their OBD1 car with digital cluster:
http://www.beretta.net/forum/viewtopic. ... D2#p128562
This may also have some relevant info:
http://www.beretta.net/forum/viewtopic. ... D2#p106531
The dash is a different shape, and the harness and plug is different, that would all need modified to work.
I don't know if the OBD2 ECM will output what is needed to make the digital cluster display correctly. I don't think it does, someone else will have to help you with that.
If you have the base cluster and want all the gauges, there is a tachometer cluster for the 96 Beretta, its a direct swap. I did that on my 1996 Beretta in the past, works great. I also swapped my odometer from my base cluster to keep my exact mileage. Just make sure you put the speedometer back in the right spot on the 96 tachometer cluster if you disassemble it to swap your odometer into it.
You would also need to swap the oil pressure sensor for the gauge if you don't already have it.
Below is a photo of my tachometer cluster in my 96 Beretta: Below is a photo of my digital cluster in my 1990 Beretta: Below is a random photo from the internet of the new style base cluster:
Thanks, I do have the upgraded cluster with the tach and stuff. But since my car is mint and I don't wanna do a bunch of modifying on an entirely original car with 65k, do you think I would be able to just make the cluster light up and stuff with no ECM? I thought about using it as a cool decoration or something.
Re: Would a digital cluster work in a non digital car?
Its up to you what you want to do, I don't mean to discourage you if you want a digital cluster, but the new style dash would need changed to fit it.Cam2363 wrote:GT_Indy wrote:Here is a thread that has some info, a user was asking about an OBD2 swap in their OBD1 car with digital cluster:
http://www.beretta.net/forum/viewtopic. ... D2#p128562
This may also have some relevant info:
http://www.beretta.net/forum/viewtopic. ... D2#p106531
The dash is a different shape, and the harness and plug is different, that would all need modified to work.
I don't know if the OBD2 ECM will output what is needed to make the digital cluster display correctly. I don't think it does, someone else will have to help you with that.
If you have the base cluster and want all the gauges, there is a tachometer cluster for the 96 Beretta, its a direct swap. I did that on my 1996 Beretta in the past, works great. I also swapped my odometer from my base cluster to keep my exact mileage. Just make sure you put the speedometer back in the right spot on the 96 tachometer cluster if you disassemble it to swap your odometer into it.
You would also need to swap the oil pressure sensor for the gauge if you don't already have it.
Below is a photo of my tachometer cluster in my 96 Beretta: Below is a photo of my digital cluster in my 1990 Beretta: Below is a random photo from the internet of the new style base cluster:
Thanks, I do have the upgraded cluster with the tach and stuff. But since my car is mint and I don't wanna do a bunch of modifying on an entirely original car with 65k, do you think I would be able to just make the cluster light up and stuff with no ECM? I thought about using it as a cool decoration or something.
I believe a member did modify their dash in the past because they swapped the 91+ interior into an 87-90 Beretta, but I can't find the post though.
Do you mean light it up to decorate your house?
I had a red 88 Beretta GT steering wheel on display in my bedroom for a few years so its ok. lol.
It can be done, you just need to find the 12 volt and ground pins and it will light up, just be careful not to put voltage on the signal line so it doesn't break. It would be in a 87-90 Beretta service manual from GM, unfortunately I don't know off hand which wires go where.
65K miles? Thats awesome! Of the cars that still exist, not many of these cars are under 100k miles anymore, way less than that are under 20k like my Indy.
My 96 had a lot less when I bought it used over 10 years ago, I think it was low 50k miles, I forgot. But I've been driving it since then so its up to 131k at the moment, I plan to make that number go up. lol
The Members Rides section has threads of members vehicles, I'd be interested in seeing photos of your car in the future!
Re: Would a digital cluster work in a non digital car?
Underdash harness and ECU from the digi-dash donor are absolutely required to run it. Duplicate sensors would be needed if that ECU isn't being used to run the engine. Not sure if any permanent mods are required though, I've seen pictures on here of one grafted into a Corsica dash -it looked good.
As for using one for a night-light or some such, yes you can backlight it, no, none of the segments will be lit unless the ECU is hooked up and driving it. It will be somewhat boring, blank and barely letting any light through. Take the housing, print out a lifesized photo of the display running 110 MPH and insert that with an LED nightlight inside -less trouble and much cooler effect.
GT Indy, really? 17 k miles?!? That car is just too nice! I would be scared to own that thing -it would never get driven... Glad you are keeping it clean!
As for using one for a night-light or some such, yes you can backlight it, no, none of the segments will be lit unless the ECU is hooked up and driving it. It will be somewhat boring, blank and barely letting any light through. Take the housing, print out a lifesized photo of the display running 110 MPH and insert that with an LED nightlight inside -less trouble and much cooler effect.
GT Indy, really? 17 k miles?!? That car is just too nice! I would be scared to own that thing -it would never get driven... Glad you are keeping it clean!
1989 SuperCharged 3800 Srs-II (First)Six-Speed GTU
1990 Turbo 3.4 5-Speed T-Type
1990 4.0L 4-Cam 32-Valve V-8 5-Speed Indy GTi (Project)
1990 Stock(!) 3.1 MPFI Auto Indy
1995 LA1/L82 4T60E Z-26
1995 3.4 DOHC Turbo 5-Speed Z-26
1990 Turbo 3.4 5-Speed T-Type
1990 4.0L 4-Cam 32-Valve V-8 5-Speed Indy GTi (Project)
1990 Stock(!) 3.1 MPFI Auto Indy
1995 LA1/L82 4T60E Z-26
1995 3.4 DOHC Turbo 5-Speed Z-26
Re: Would a digital cluster work in a non digital car?
Yes, use it like a big shiny picture haha, I had a digital cluster out of a Chrysler conquest but that wasn't working the way i wanted. And ill have to try to find the diagrams in my Haynes manual. And Ill make a thread there, the car is an all original black z26 with the red interior. The car has no rust and was most likely garage kept most of its 22 years. I plan to drive it until it goes. Its my first car (well really my second) so thats going to take a long time lol.GT_Indy wrote:Its up to you what you want to do, I don't mean to discourage you if you want a digital cluster, but the new style dash would need changed to fit it.Cam2363 wrote:GT_Indy wrote:Here is a thread that has some info, a user was asking about an OBD2 swap in their OBD1 car with digital cluster:
http://www.beretta.net/forum/viewtopic. ... D2#p128562
This may also have some relevant info:
http://www.beretta.net/forum/viewtopic. ... D2#p106531
The dash is a different shape, and the harness and plug is different, that would all need modified to work.
I don't know if the OBD2 ECM will output what is needed to make the digital cluster display correctly. I don't think it does, someone else will have to help you with that.
If you have the base cluster and want all the gauges, there is a tachometer cluster for the 96 Beretta, its a direct swap. I did that on my 1996 Beretta in the past, works great. I also swapped my odometer from my base cluster to keep my exact mileage. Just make sure you put the speedometer back in the right spot on the 96 tachometer cluster if you disassemble it to swap your odometer into it.
You would also need to swap the oil pressure sensor for the gauge if you don't already have it.
Below is a photo of my tachometer cluster in my 96 Beretta: Below is a photo of my digital cluster in my 1990 Beretta: Below is a random photo from the internet of the new style base cluster:
Thanks, I do have the upgraded cluster with the tach and stuff. But since my car is mint and I don't wanna do a bunch of modifying on an entirely original car with 65k, do you think I would be able to just make the cluster light up and stuff with no ECM? I thought about using it as a cool decoration or something.
I believe a member did modify their dash in the past because they swapped the 91+ interior into an 87-90 Beretta, but I can't find the post though.
Do you mean light it up to decorate your house?
I had a red 88 Beretta GT steering wheel on display in my bedroom for a few years so its ok. lol.
It can be done, you just need to find the 12 volt and ground pins and it will light up, just be careful not to put voltage on the signal line so it doesn't break. It would be in a 87-90 Beretta service manual from GM, unfortunately I don't know off hand which wires go where.
65K miles? Thats awesome! Of the cars that still exist, not many of these cars are under 100k miles anymore, way less than that are under 20k like my Indy.
My 96 had a lot less when I bought it used over 10 years ago, I think it was low 50k miles, I forgot. But I've been driving it since then so its up to 131k at the moment, I plan to make that number go up. lol
The Members Rides section has threads of members vehicles, I'd be interested in seeing photos of your car in the future!
Also how much do the digital beretta clusters go for normally?
Re: Would a digital cluster work in a non digital car?
I need to see a photo of the corsica running the digital dash. I didnt think a corsica had one modded into it.
I havent looked much into the digital cluster to know for sure on running it with OBD2.
The cluster would be a cool night light. lol. I once had an analog cluster connected to a signal generator to read high speed. lol.
Thanks. Its not too hard because it always has a spot in the garage. I only meant to post the pic to show the difference in shape. lol.
I've seen a digital cluster sell on ebay for like 250 some time back. I dont know if there are any listed now, they are a bit rare.
If you make a post in the wanted section someone might reply that they have one they arent using. They may also have the wire harness. It depends who has what in their parts stash. lol.
I havent looked much into the digital cluster to know for sure on running it with OBD2.
The cluster would be a cool night light. lol. I once had an analog cluster connected to a signal generator to read high speed. lol.
Thanks. Its not too hard because it always has a spot in the garage. I only meant to post the pic to show the difference in shape. lol.
I've seen a digital cluster sell on ebay for like 250 some time back. I dont know if there are any listed now, they are a bit rare.
If you make a post in the wanted section someone might reply that they have one they arent using. They may also have the wire harness. It depends who has what in their parts stash. lol.
Re: Would a digital cluster work in a non digital car?
I was just wondering as I managed to steal one for 35 bucks on ebay. No clue if it works and the clean plastic is pretty scratched, but it could be cleaned up.GT_Indy wrote:I need to see a photo of the corsica running the digital dash. I didnt think a corsica had one modded into it.
I havent looked much into the digital cluster to know for sure on running it with OBD2.
The cluster would be a cool night light. lol. I once had an analog cluster connected to a signal generator to read high speed. lol.
Thanks. Its not too hard because it always has a spot in the garage. I only meant to post the pic to show the difference in shape. lol.
I've seen a digital cluster sell on ebay for like 250 some time back. I dont know if there are any listed now, they are a bit rare.
If you make a post in the wanted section someone might reply that they have one they arent using. They may also have the wire harness. It depends who has what in their parts stash. lol.
Re: Would a digital cluster work in a non digital car?
wow that's a good price. I haven't been checking lately so I probably didn't see it. lol.Cam2363 wrote:I was just wondering as I managed to steal one for 35 bucks on ebay. No clue if it works and the clean plastic is pretty scratched, but it could be cleaned up.GT_Indy wrote:I need to see a photo of the corsica running the digital dash. I didnt think a corsica had one modded into it.
I havent looked much into the digital cluster to know for sure on running it with OBD2.
The cluster would be a cool night light. lol. I once had an analog cluster connected to a signal generator to read high speed. lol.
Thanks. Its not too hard because it always has a spot in the garage. I only meant to post the pic to show the difference in shape. lol.
I've seen a digital cluster sell on ebay for like 250 some time back. I dont know if there are any listed now, they are a bit rare.
If you make a post in the wanted section someone might reply that they have one they arent using. They may also have the wire harness. It depends who has what in their parts stash. lol.
But I agree, its hard to know if its functional or not without turning it on.
Yah now and then something good pops up on ebay, I found some euro tail lights for my Beretta that way.
The digital clusters also use a set of switches that were located to the right of the steering column on the older cars, it was about 9 buttons that changed the display to show different things.
That would also be good to have if you decided to use the digital cluster. I forgot to mention it earlier.
Re: Would a digital cluster work in a non digital car?
You might not have seen it as there was no mention it was digital, but I could tell it was as there were no visible gauges. As for the buttons, Ill make some solution for it. I might just clean it up and try and resell it on eBay for a nice profit. Depends on how much I can do with what I have.GT_Indy wrote:wow that's a good price. I haven't been checking lately so I probably didn't see it. lol.Cam2363 wrote:I was just wondering as I managed to steal one for 35 bucks on ebay. No clue if it works and the clean plastic is pretty scratched, but it could be cleaned up.GT_Indy wrote:I need to see a photo of the corsica running the digital dash. I didnt think a corsica had one modded into it.
I havent looked much into the digital cluster to know for sure on running it with OBD2.
The cluster would be a cool night light. lol. I once had an analog cluster connected to a signal generator to read high speed. lol.
Thanks. Its not too hard because it always has a spot in the garage. I only meant to post the pic to show the difference in shape. lol.
I've seen a digital cluster sell on ebay for like 250 some time back. I dont know if there are any listed now, they are a bit rare.
If you make a post in the wanted section someone might reply that they have one they arent using. They may also have the wire harness. It depends who has what in their parts stash. lol.
But I agree, its hard to know if its functional or not without turning it on.
Yah now and then something good pops up on ebay, I found some euro tail lights for my Beretta that way.
The digital clusters also use a set of switches that were located to the right of the steering column on the older cars, it was about 9 buttons that changed the display to show different things.
That would also be good to have if you decided to use the digital cluster. I forgot to mention it earlier.
Re: Would a digital cluster work in a non digital car?
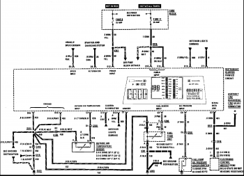
This may help... I have a pinout list too, if anyone needs it.
1989 SuperCharged 3800 Srs-II (First)Six-Speed GTU
1990 Turbo 3.4 5-Speed T-Type
1990 4.0L 4-Cam 32-Valve V-8 5-Speed Indy GTi (Project)
1990 Stock(!) 3.1 MPFI Auto Indy
1995 LA1/L82 4T60E Z-26
1995 3.4 DOHC Turbo 5-Speed Z-26
1990 Turbo 3.4 5-Speed T-Type
1990 4.0L 4-Cam 32-Valve V-8 5-Speed Indy GTi (Project)
1990 Stock(!) 3.1 MPFI Auto Indy
1995 LA1/L82 4T60E Z-26
1995 3.4 DOHC Turbo 5-Speed Z-26
Re: Would a digital cluster work in a non digital car?
Looks like it can fit in a Corsica dash. I'm wondering if the plastic dome is tall enough to house the digital dash on the 96 Beretta, looks like its raised a little to fit over the column?
This makes me want to do this on my own car.... lol. I'm curious how they modified the dash behind there.
Don't those digital clusters stop registering mileage at 250,000? That would be the only drawback imo.
This makes me want to do this on my own car.... lol. I'm curious how they modified the dash behind there.
Don't those digital clusters stop registering mileage at 250,000? That would be the only drawback imo.
Re: Would a digital cluster work in a non digital car?
wow. Thats pretty cool. I really wanna do it but I dont wanna mod the car. Could you get me the pinout list?Rettax3 wrote:This may help... I have a pinout list too, if anyone needs it.
Re: Would a digital cluster work in a non digital car?
Ahh, here it is... Have fun.
1989 SuperCharged 3800 Srs-II (First)Six-Speed GTU
1990 Turbo 3.4 5-Speed T-Type
1990 4.0L 4-Cam 32-Valve V-8 5-Speed Indy GTi (Project)
1990 Stock(!) 3.1 MPFI Auto Indy
1995 LA1/L82 4T60E Z-26
1995 3.4 DOHC Turbo 5-Speed Z-26
1990 Turbo 3.4 5-Speed T-Type
1990 4.0L 4-Cam 32-Valve V-8 5-Speed Indy GTi (Project)
1990 Stock(!) 3.1 MPFI Auto Indy
1995 LA1/L82 4T60E Z-26
1995 3.4 DOHC Turbo 5-Speed Z-26
Re: Would a digital cluster work in a non digital car?
Thanks!Rettax3 wrote:Ahh, here it is... Have fun.![]()